Products
OUWEI > Transformers & components > Radiator Valves for Transfomer > 25mm Iron Valves for Buchholz Relay

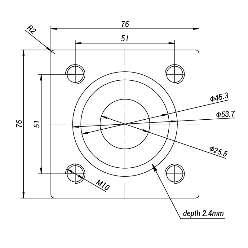
25mm Iron Valves for Buchholz Relay

Technical Specifications

⚫Ambient Temperature: -20°C to +80°C Standard.*
⚫Oil Temperature: -20°C to +110°C Standard.*
⚫Mounting Bolts: Optional – MS bolts zinc plated to 20microns.
⚫Mounting Gasket: Two “O” Rings supplied with each valve.

Description:

The valve mainly consists of machined flange, flap, spindle and locking cap. The flap is machined to fit the bore. The spindle is riveted to the flap and can be rotated in either direction to operate the valve. The cap on top of spindle locks the valve in the open or closed position, which is indicated on the exposed plate marked open/shut.

Features

⚫Graded case Iron body
⚫All machining and drilling by CNC machines in close tolerance.
⚫100% valves tested for porosity and leakage.
⚫All valves are powder coated to provide complete surface protection for all weather conditions.
⚫No leakage from top spindle even without the protective cap.
⚫Protective cap will fit the valve top only when arrow shows then correct open/close position.

INQUIRY NOW!

Related products

INQUIRY NOW!

INQUIRY NOW!